Страница 1 от 1
Генератор/Алтернатор реле регулатор БОШ 2007 Yaris 1.0 69 PS
Публикувано на: 12 Мар 2019 15:06
от toyota777
Както си карах(2007 Yaris 1.0 69 PS)1kr-fe) светна лампата акумулатор ... проверих по ОБД буксата показа 12волта в системата а не 14 .. ясно е че не зареждаше динамото
прибрах се на акумулатор.
измерих динамото "качествената" марка БОШ и никакъв ток не подава
свалих го на 12 и 14 мм болтове се държи първо се сваля ремъка , динамото се държи на 2 болта
динамото има 2 много яко затегнати т30 звездички болтове другото е кръстати винтове
изрязах капачката на въпросния БОШ регулатор
ето какво има вътре:

- IMG_20190311_164142.jpg (235.16 KiB) Преглеждано 3747 пъти
доста тънки жички нещо ме съмнява качеството.. четките бяха като нови , на малко километри е въпросния генератор ...
100+ лева струва въпросният БОШ регулатор а не ми изглежда качествен
та понеже ме съмнява качеството реших да си купя мобилтрон за 35 лв тайвански

- thumb.jpg (22.36 KiB) Преглеждано 3747 пъти
ще видим колко ще изкара ....
също така смених предният (носещ) лагер не е трудно, старият беше ОК но греста му беше изсъхнала и го смених, на задния лагер само свалих уплътнението(с малка отвертка от външната страна се сваля) и му добавих грес не е под особен товар и си е ОК лагера само греста суха.

- IMG_20190312_101434.jpg (204.42 KiB) Преглеждано 3747 пъти
Генератор/Алтернатор реле регулатор БОШ 2007 Yaris 1.0 69 PS
Публикувано на: 12 Мар 2019 18:19
от max-2
Добре се е получило. Би трябвало да изкара, нищо че не е бош.

Сега има хубави модерни тестери за амумулатори. Ако диагнозата е "сменете батерията", сменяй без да се замисляш, нищо че пали колата все още. Или е останал на 15 Ач от 45, или долу е кал и окъсява и има голям саморазряд, а може и двете. Това товари алтернатора излишно.
Генератор/Алтернатор реле регулатор БОШ 2007 Yaris 1.0 69 PS
Публикувано на: 12 Мар 2019 21:19
от jacob12
Колега, хубави снимки, ама 2007 година беше преди 12 години. Марката Бош си е много качествена, няма защо да се съмняваш в това. Реле Бош си е много хубаво, но не е вечно. Мобилетрон е ниско бюджетна марка, нещо като да закърпиш скъсан чорап. Ремонт с Бош компоненти си излиза поне 250 лв с труда, а с алтернативни, нискобюджетни части до 100 лв. Кабелите в процесора на компютъра ти са хилядни от мм, а си работят. Един лагер е под 10 лв. и да не го смениш си е грях, има доста добри лагери на пазара. Всеки сам си решава, но аз лично като правя нещо, го правя така, че да не го пипам близките 10 години. Затова и имам безаварийни вече почти 25 години, с последната кола 10 години и 170 хил.км. И нищо, че вече е в мен, всичко се прави и то основно с ориг.части
Генератор/Алтернатор реле регулатор БОШ 2007 Yaris 1.0 69 PS
Публикувано на: 14 Мар 2019 11:50
от toyota777
днес го тествах роад трип 50км ,
показва 14,5 волта на акумулатора и 14,1 по централен ОБД модул
поддържаше волтовете във всички обороти от 800 до 5000 об.мин
не мога да кажа, че не си върши работата тайването(киайчето)... бетон е

- Screenshot_2019-03-14-10-26-49.jpg (167.1 KiB) Преглеждано 3650 пъти
относно качеството на корпуса не е полиран като боша, но монтажа беше без проблем размерите са 100%

- IMG_20190314_093118.jpg (195.52 KiB) Преглеждано 3650 пъти
написали са ENGLAND на корпуса фирмата е тайванска и най-вероятно е китайско производство, не знам защо са го написали, може да е сглобен там.

- IMG_20190314_093026.jpg (233.78 KiB) Преглеждано 3650 пъти
Генератор/Алтернатор реле регулатор БОШ 2007 Yaris 1.0 69 PS
Публикувано на: 14 Мар 2019 12:46
от batececo
Регулаторът заедно с четки ли върви?
Генератор/Алтернатор реле регулатор БОШ 2007 Yaris 1.0 69 PS
Публикувано на: 14 Мар 2019 13:49
от Akima
Така като го гледате как мислите?
Поздравления на колегата автор на темата - приличен ремонт.

Генератор/Алтернатор реле регулатор БОШ 2007 Yaris 1.0 69 PS
Публикувано на: 22 Мар 2019 14:41
от toyota777
има половин ампер утечка въпросния мобилтрон,източва акумулатора
диодите са проверени работят не е от тях
връщам го
Генератор/Алтернатор реле регулатор БОШ 2007 Yaris 1.0 69 PS
Публикувано на: 22 Мар 2019 21:24
от toyota777
реших проблема леле не е истина
СУПЕР Е МОБИЛТРОНА И БОША ... АЛАРМАТА Е ПРОБЛЕМА
некой е решил да черпи ток от регулатора за алармата когато е изключена колата
колата вече няма аларма всичко е ок не черпи ток ... респект за бош(алармата го е сринала) евала мобилтрон евала тайван ....
Генератор/Алтернатор реле регулатор БОШ 2007 Yaris 1.0 69 PS
Публикувано на: 23 Мар 2019 09:10
от toyota777
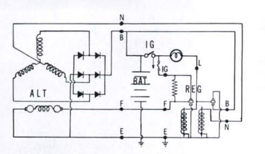
на кратко: тези алтернатори с 4те терминала има S сенс терминал/измерващ терминал/ с постоянно напрежение 12в, ако нещо подаде напрежение към IG терминала се включва регулатора , не е лесно да се хване защото работих на колата с изключена аларма не с вкл.
тоест регулатора е работил денонощно

- Screenshot_2019-03-23-08-37-23.jpg (282.62 KiB) Преглеждано 3435 пъти
ако ви интересува как се мерят диодите най-бързия начин е да се измерят на веднъж включвате мултиметъра на диоди и мерите като един от шаси към + на генератора и от + към шаси ... не трябва да отчита нищо в едната посока и трябва да отчита 500-800 е другата посока .. ако
даде на късо диод ще отчита в 2те посоки и може да разтоварва акумулатора
диодите са 6 защото алтернатора е трифазен... изглежда сложно ... но не е просто .. мерите като един диод

- R9HGT.jpg (27.71 KiB) Преглеждано 3435 пъти
може да се мери и променлив/не прав/ ток за да се тества дали има флуктоации ... слагате мултиметъра на променлив ток и мерите ... ако покаже под 50 волта променлив значи са здрави диодите...ако
изгори диод напрежението е нестабилно и се мери като променлив ток
прав ток трябва да показва около 14,6 в
Извода е, че си е качествен БОШа , но не

робувайте на тая марка
след второто разглобяване на генератора хвърлих т30 звездичките болтовете и си сложих шестограм болтове 8мици с шайби ... стоманата е ..

- IMG_20190323_083137_1.jpg (88.13 KiB) Преглеждано 3435 пъти
Генератор/Алтернатор реле регулатор БОШ 2007 Yaris 1.0 69 PS
Публикувано на: 23 Мар 2019 09:25
от batececo
Като видя "ток 14 ВОЛТА" и се изприщвам
Токът се мери в ампери, а напрежението във волтове

Генератор/Алтернатор реле регулатор БОШ 2007 Yaris 1.0 69 PS
Публикувано на: 23 Мар 2019 09:36
от toyota777
batececo написа: ↑23 Мар 2019 09:25
Като видя "ток 14 ВОЛТА" и се изприщвам
Токът се мери в ампери, а напрежението във волтове
да грешката е моя
