Страница 1 от 1
Avensis T25 2.0 1CD-FTV D4D 116HP 2004 - педалът на спирачката активира лампата за ръчната ?
Публикувано на: 23 Яну 2017 08:42
от IvanNeshev
Здравейте,
наскоро забелязах, че ако започна да помпам педала на спирачката постоянно, след 3тия или 4тия път педала започва да става по-твърд и да съска леко (все едно влиза въздух през него) и след 10тина помпения се активира лампата за ръчната на таблото. Като спра да помпам всичко се нормализира. При нормално шофиране нямам никакъв проблем и за това се чудя дали това е проблем или е нормално състояние? Нивото на течността за спирачките е на максимума (беше на минимума и долях за да не от това).
Колата е Д4Д 2.0 116 коня 2004та.
Иван
Avensis T25 D4D 116, педала за спирачката активира лампата за ръчната
Публикувано на: 23 Яну 2017 13:46
от Freedom
Здравей колега,
Лампата освен при задействана ръчна спирачка светва и при ниско ниво на спирачната течност.
Накарай някой да помпи докато светне лампата и виж какво става с нивото.
Успех!
Avensis T25 D4D 116, педала за спирачката активира лампата за ръчната
Публикувано на: 23 Яну 2017 14:51
от Toyota Fan Forever
Според мен нивото на спирачната течност е близко до минимума, след интензивно напомпване цилиндрите обират хлабината, течността се измества към тях и задейства датчика за ниво, още повече в тези студове всичко се свива и е достатъчно ако нивото е близко до минимума лампата да светне. Добавете малко течност като разбира се следите за последващо спадане, което вече е ОПАСНО (когато обаче сменяте накладки това добавено количество следва да се изпомпи за да не се олее коша при събиране на цилиндрите)! Мислете и за бъдеща смяна на накладки най-вероятно предни.
Avensis T25 D4D 116, педала за спирачката активира лампата за ръчната
Публикувано на: 23 Яну 2017 17:40
от IvanNeshev
Колеги, за това последното ми изречение е " Нивото на течността за спирачките е на максимума (беше на минимума и долях за да не от това). " ;-) Звъннах днес в Тойота, и казаха, че е абсолютно нормално това и че го правят всички авенсиси (дизели) от тази генерация. Не им стига вакуума при ниски обороти и за това светва лампата. Аз се усъмних, тъй като в сервизната книжка пише, че ако светне (лампата) само за малко и се изгасне сама това не индикира проблем и не трябва да се ходи в сервиз :-)
Иван
Avensis T25 D4D 116, педала за спирачката активира лампата за ръчната
Публикувано на: 25 Яну 2017 00:08
от мехаННика
Всъщност вакуума е достатъчен за нуждите за които е изчислен, защо правите това с колите си? Кой натиска спирачките така при нормална експлоатация? Сега извади течността която си долял, защото като смениш накладки и ще прелее. И вследствие ще се обели боята на така обгрижваната ти кола, там където е попаднала.
Avensis T25 D4D 116, педала за спирачката активира лампата за ръчната
Публикувано на: 25 Яну 2017 11:37
от Iliyа Damyanov
IvanNeshev написа: Колеги, за това последното ми изречение е " Нивото на течността за спирачките е на максимума (беше на минимума и долях за да не от това). " ;-)
Аз спирачна течност по принцип не доливам. Ниско ниво на течноста означава , че накладките ми са за смяна. Дори и да имат още някакъв материал то той се е опекъл и смяната е оправдана. Стилът ми на каране е спокоен и чифт накладки ме изкарват две години без проблем. Със смяна на накладките сменям и спирачната течност. В тоя смисъл ако си станал за накладки не си играй да вадиш долятата течност ами направо я смени.
ПС. Внимавай да не сложиш DOT5 , че тогава темата ще стане 20 страници.
Avensis T25 D4D 116, педала за спирачката активира лампата за ръчната
Публикувано на: 27 Яну 2017 22:07
от IvanNeshev
мехаННика написа:Всъщност вакуума е достатъчен за нуждите за които е изчислен, защо правите това с колите си? Кой натиска спирачките така при нормална експлоатация? Сега извади течността която си долял, защото като смениш накладки и ще прелее. И вследствие ще се обели боята на така обгрижваната ти кола, там където е попаднала.
Всъщност това е отличен въпрос ;) Както си карах и ми светнаха чек енджин, SVC и Traction Off. Понеже карах в едни коловози и си помислих, че може да съм ударил колата отдолу и нещо да е станало и реших да видя спирачките как са - натиснах педала няколко пъти за тест и видях, че светна лампата за ръчната.. та така, иначе реално никога не бих разбрал за това й поведение ако не беше другия проблем

Накладките са на 32к, като ги сменям ще отлея малко течност. Благодаря за съвета!
Нешев
Avensis T25 D4D 116, педала за спирачката активира лампата за ръчната
Публикувано на: 28 Яну 2017 12:04
от spiridoncho
Колега, послушай @Iliyа Damyanov. Ако си за смяна на накладки и ти е стара течността смени и нея (а тя със сигурност ще е стара ако не си я сменял превантивно). Не се оскъпява кой знае колко процедурата, но си връзваш гащите от всякъде. При интензивно спиране в големи жеги обикновенно стават белите, без да споменавам корозията в спирачната система.
Avensis T25 D4D 116, педала за спирачката активира лампата за ръчната
Публикувано на: 28 Яну 2017 16:23
от Toyota Fan Forever
Това с лампите го обичам!
Проверете дали всички 3 крушки на стоп светлините работят и то дали винаги (и в движвние, което е по трудно

). Има система за самодиагностика на стоп свтлините, която пали останалите лампи и те принуждава под стрес да отидеш в сервиз и да ти вземат 20-30лв. за смяна на крушка.
Avensis T25 D4D 116, педала за спирачката активира лампата за ръчната
Публикувано на: 28 Яну 2017 18:05
от Freedom
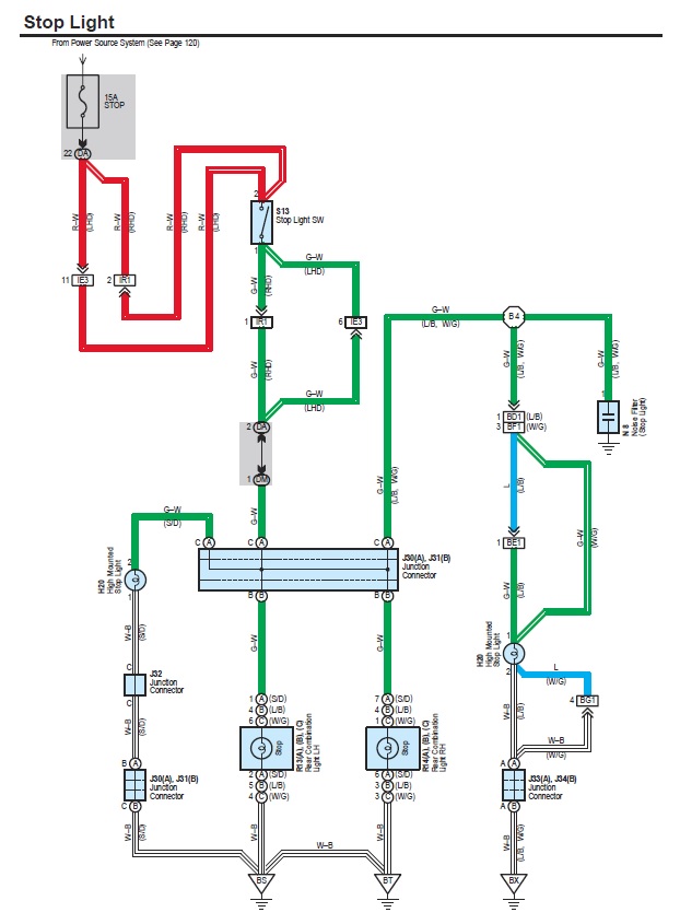
Имал съм изгорели крушки на стоповете, но не ми е светвала индикация. Къде става самодиагностиката, че не виждам подобно нещо на схемата?

- Stop.jpg (91.7 KiB) Преглеждано 4899 пъти
Avensis T25 D4D 116, педала за спирачката активира лампата за ръчната
Публикувано на: 28 Яну 2017 20:58
от IvanNeshev
Toyota Fan Forever написа:Това с лампите го обичам!.
Този проблем го отстранихме - беше стоп машинката - смених я с нова и всичко се оправи! ;-)
Нешев
Avensis T25 2.0 1CD-FTV D4D 116HP 2004 - педалът на спирачката активира лампата за ръчната ?
Публикувано на: 01 Фев 2017 16:08
от Toyota Fan Forever
Freedom написа:Къде става самодиагностиката, че не виждам подобно нещо на схемата?
CAN Bus
Freedom написа: Имал съм изгорели крушки на стоповете, но не ми е светвала индикация. Къде става самодиагностиката, че не виждам подобно нещо на схемата?
C1249 (реагира и на изгорели крушки на стоп светлините, третирайки веригата като отворена при определени условия на ползване)

- C1249.GIF (41.58 KiB) Преглеждано 4839 пъти