Страница 48 от 66
Дневни светлини за Toyota - DRL модули,схеми,LED светлини...
Публикувано на: 10 Апр 2019 20:35
от gimara
Интересни решения от руснаците за DRL:
DRL в габаритите
DRL в мигачите
Дневни светлини за Toyota - DRL модули,схеми,LED светлини...
Публикувано на: 14 Апр 2019 09:25
от Svetlio
Всичко, което амортизира рефлектор и фар излишно не е оферта, затова съм за допълнителните DRL- ако няма фабрични естествено.

Дневни светлини за Toyota - DRL модули,схеми,LED светлини...
Публикувано на: 30 Апр 2019 23:19
от kebappa
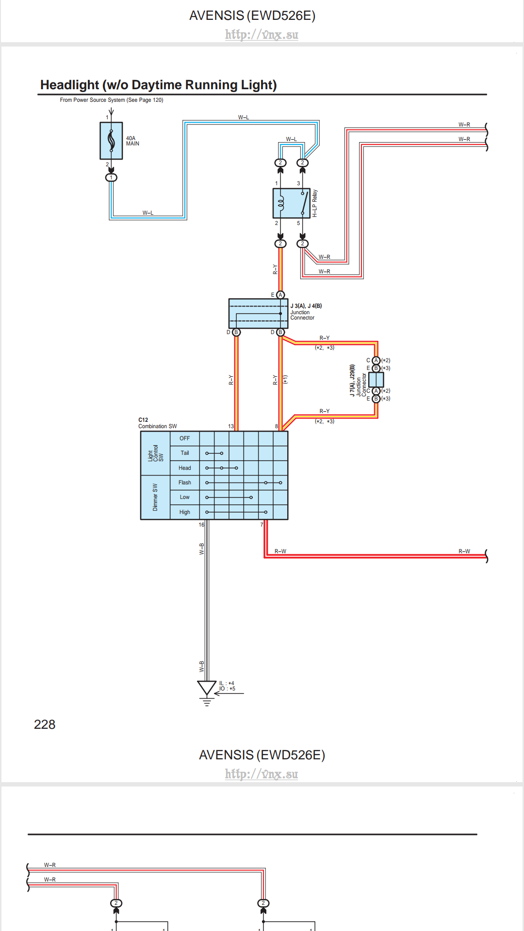
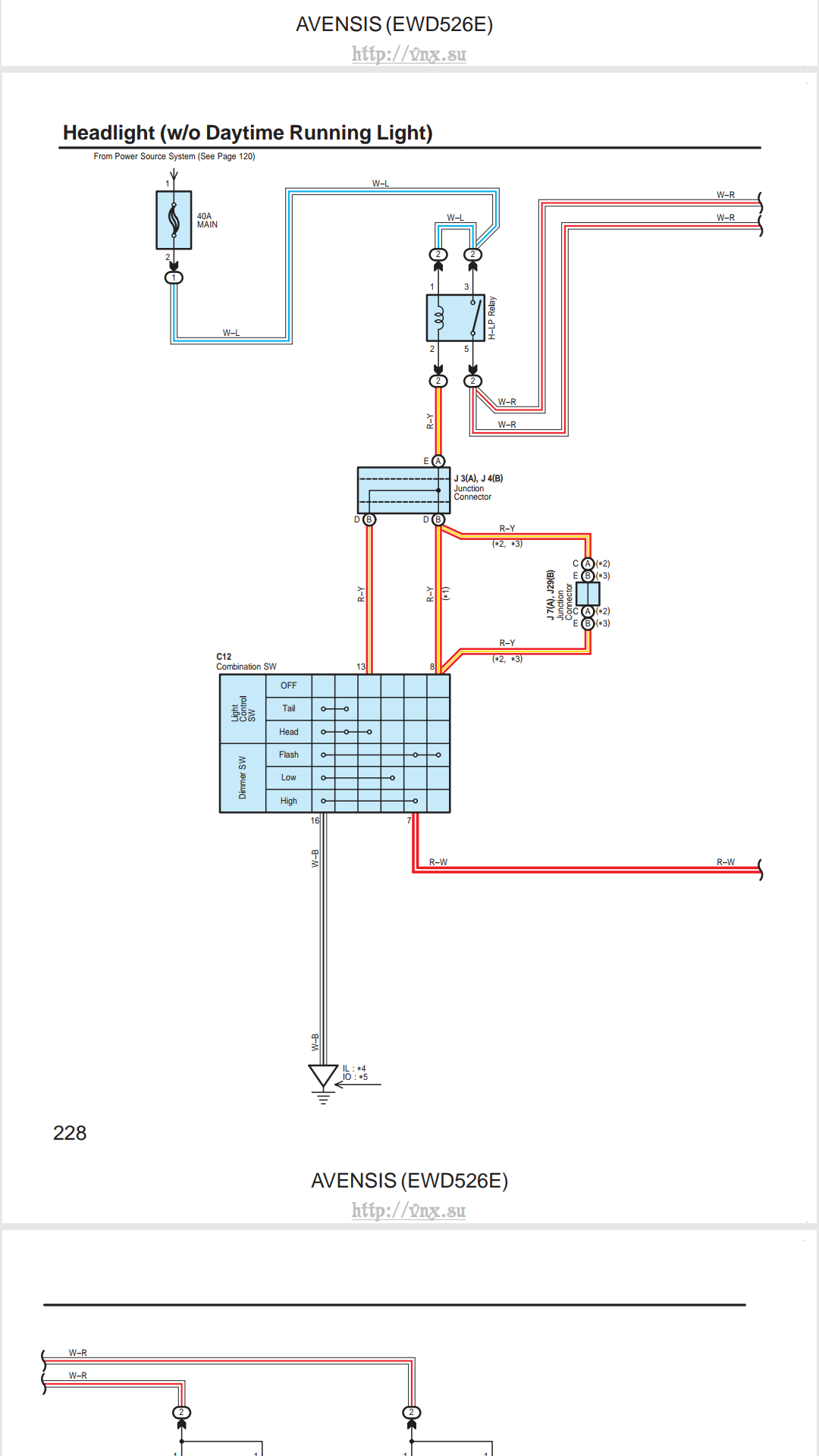
Автомобила е Авенсис Т25 2 д4д 116 2005 .
Как да свържа модул за дневни светлини на дългите? Измислил съм го но е с доста допълнителна комутация . Търся семпло решение . Защо е тази ел. връзка на + между къси и дълги ? Каква и е идеята ? На късите съм с китайски ксенон
Според документацията схемата ми е следната
Благодяря

- Screenshot_20190427-231109.png (116.42 KiB) Преглеждано 7544 пъти
.

- Screenshot_20190427-231115.png (160.97 KiB) Преглеждано 7544 пъти
Дневни светлини за Toyota - DRL модули,схеми,LED светлини...
Публикувано на: 01 Май 2019 08:33
от Freedom
За коя връзка питаш? Късите се управляват по (+), а дългите по (-). Тъй като искаш да захраниш само дългите при изключено положение на превключвателя ще ти трябват две релета. Какво не ти е ясно?
Дневни светлини за Toyota - DRL модули,схеми,LED светлини...
Публикувано на: 01 Май 2019 09:08
от kebappa
Не съм сигурен ,че само с две релета ще се случат нещата . След предпазителите има връзка между къси и дълги. Защо ?
Дневни светлини за Toyota - DRL модули,схеми,LED светлини...
Публикувано на: 01 Май 2019 09:15
от Freedom
Защото когато си включиш фаровете и късите и дългите са постоянно захранени с (+), но дългите чакат (-) от ключа. Различни схеми ли гледаме, че трябва да осъзнавам каквото и да било?
Дневни светлини за Toyota - DRL модули,схеми,LED светлини...
Публикувано на: 01 Май 2019 10:28
от kebappa
То това е очевидно. Въпроса е защо след предпазителите за къси и след предпазителите за дълги има връзка ? Явно не гледаме една и съща схема . Ако не те затруднява нарисувай на схемата как с две релета ще работят дългите като дневни на шим. Аз с две релета немога. Ако ти можеш, мога само да ти кажа Браво. Би ли споделил как?
Ето за тези връзки питам.

- IMG_20190501_102237.png (165.73 KiB) Преглеждано 7520 пъти
Дневни светлини за Toyota - DRL модули,схеми,LED светлини...
Публикувано на: 01 Май 2019 12:46
от slowtraveler
kebappa написа: ↑01 Май 2019 10:28
Ето за тези връзки питам.
Ако се загледаш ще видиш, че това не се 'връзки', а алтернативна схема според това дали колата е с оригинален ксенон или не...
С две релета можеш да 'превключиш' дългите да бъдат последователно вързани при ДРЛ, но лично на мен не ми харесва подобно решение, защото се налагат много превключвания (и прекъсване на 'заводските' връзки през реле)...
Дневни светлини за Toyota - DRL модули,схеми,LED светлини...
Публикувано на: 01 Май 2019 13:05
от kebappa
Това под предпазителите на дългите наистина съм го пропуснал ,че е за вярианта с ксенон. Наистина става , не е сложно но много "се раздробявя " заводската инсталация . Като себестойност цялата анджаклама става повече от нов комплектт ксенони. Ще карам май така за сега.
Дневни светлини за Toyota - DRL модули,схеми,LED светлини...
Публикувано на: 01 Май 2019 15:24
от slowtraveler
Отново да припомня - на Маздата 5г предимно на късо градско (т.е. многократно стартиране на фаровете) нямаше никакъв проблем с ксенона... А оригиналният DRL на всяко стартиране на ДВГ палеше два пъти фаровете - веднъж при подаване на контакт, гасеше при въртене на стартер, и палеше отново фаровете след отпускане на ключа...
Та и затова въобще не съм се напрягал да мисля за ДРЛ... На Кашкая при същият начин на експлоатация засега съм сменил една халогенна крушка (да, кара се по-малко), като при него ползвам 'защитата' вместо ДРЛ - оставам включени фаровете при гасене на ДВГ, и защитата против забравяне ги гаси. Като ги пуска отново при стартиране на ДВГ... Реално - просто съм преместил врътката 'на пуснати фарове' и не се занимавам с ДРЛ и т.н....
Да, там таблото е контрастно и не става нечитаемо при 'нощен режим'..
Дневни светлини за Toyota - DRL модули,схеми,LED светлини...
Публикувано на: 02 Май 2019 08:55
от todorakis
Колега,
Няколко поста назад съм писал, как съм направил ДРЛ при мен на Т27. Секциите във фара и при теб са същите, но ако не ти се занимава да преправяш секцията за мигача с крушка с двойна светлина ( бяла и жълта) модула, който ползвам става и за дълги. Даже, докато чаках крушките да пристигнат карах няколко седмици с дълги на 20%. Модулчето е много практично, нищо не се преправя. Има си предпазител и директно се закача в бушониерата. Това му е схемата. Изходът може да е дълги, къси, ЛЕД и т.н.
Дневни светлини за Toyota - DRL модули,схеми,LED светлини...
Публикувано на: 13 Май 2019 09:20
от rovers
JulianoG написа: ↑24 Юни 2017 21:24
Днес китайците с два цвята се предадоха - едната изгоря. Точно 1 година след закупуването им.
Моите изкараха повече от 2 г. Монтирал съм ги в началото на 01.2017 и на едната бялата светлина започна леко да мъждука преди около 2 месеца. Имах време да си взема нов комплект и след като тотално спря да свети, онзи ден я смених. Хубавото е, че изгорялата бяла светлина не пречи на мигача да работи коректно.
Дневни светлини за Toyota - DRL модули,схеми,LED светлини...
Публикувано на: 31 Май 2019 14:38
от color
Колеги, решил съм да сложа от комбинираните DRL/мигач лед крушки в секцията за мигача на моя Авенсис. Бихте ли дали информация или линк към по - читави такива - откъде да купя?
Дневни светлини за Toyota - DRL модули,схеми,LED светлини...
Публикувано на: 31 Май 2019 15:02
от gimara
color написа: ↑31 Май 2019 14:38
Бихте ли дали информация или линк към по - читави такива - откъде да купя?
Първото мнение на тази страница.

Четете колеги, на повечето стандартни въпроси вече е отговорено.
Дневни светлини за Toyota - DRL модули,схеми,LED светлини...
Публикувано на: 31 Май 2019 15:24
от color
Благодаря колега, изчел съм неколкократно цялата тема. От руски сайтове не пазарувам, въпроса ми беше по-скоро към колеги, които са с такива светлини закупени от Алиекспрес или от БГ. Тъй като се появиха доста видове и модели, да се ориентирам кои са по-качествени.