Страница 26 от 29
Навигация - видео формат
Публикувано на: 25 Мар 2023 22:36
от tyga
Здравейте, колеги. На оригиналната навигация на тойота т27 дали мога да гледам видео?
Навигация - системи,модули,карти,телефони,POI,SpeedCams...
Публикувано на: 10 Апр 2023 21:56
от todorov40
Здравейте!
Помащ за обновяване на навигация, на avensis t27 2011г. За TNS510
Навигация - системи,модули,карти,телефони,POI,SpeedCams...
Публикувано на: 22 Авг 2023 18:30
от svilen_82
Здравейте.
Имам проблем със медиата на моя Аурис хибрид 14г.
Екрана е тъмен и незнам как да го оправя,иначе си работи
Навигация - системи,модули,карти,телефони,POI,SpeedCams...
Публикувано на: 16 Окт 2023 23:41
от teodorp
Здравейте,
Да споделя и аз моите неволи по смяната на B9012 със Junsun V1 Pro или как интегрирах китаец в японеца (колата е Avensis T27 2009).
Доста се чудех дали да сменя фабричната медия, но имах нужда от съвременно устройство без да се чудя кой, къде, кога и за колко може да ми ъпдейтне картите.
Първоначално бързо се отказах - купуваш си андроид устройство (за много пари), но се отказваш от фабричната камера и микрофон (според това което съм чел из ФБ групите).
Наскоро ми попадна този ‘таблет’ с голямо намаление и реших да се прежаля. (Поръчах от алиекспрес и дойде от Франция)
1. Инсталиране [5/5] - сравнително лесно ако не трябва да слагаш камера.
2. Аудио [5/5] - добро (не съм експерт)
3. UI [1/5] - не може да се променя нищо по джиджавките на таблета. Каквото виждате на снимките такова. Има варианти за къстъм ланчър.
4. Загрява [1/5] - след по-дълга употреба (3+ часа) китаеца прегря и взе да не му се работи. По идея на колега, в тази темата, му сложих вентилатор (2к оборота с тих лагер). Нещата доста се подобриха.
5. Андроид ауто [6/5] - много ми хареса. Трудно се върза първия път.
6. Радио [2/5] - в сравнение с фабричното е много зле. Старото сканираше ефира и имах кратък лист с работещи станции. Китаеца хваща всяка шумотевица и цъкам 100 пъти докато спра на нещо което става за слушане.
7. Микрофон [1/5] - вградения в китаеца микрофон е ужас, по-добре да не го слагат. (Може да се ползва ако колата е изгасена)
8. Цена [3/5] - мислех, че е ниска, но оправдава мъките.
Относно камерата - отворих ел. схемите да видя как така ‘камерата не става, защото минава през компютъра на колата’ - градски легенди.
Успях да я вържа и работи.
Микрофона (стоковия на колата) - също заработи. Доста зор видях докато ги подкарам.
Това което минава през компютъра са сензорите за паркиране.
Ще пиша и как се връзват камерата и микрофона само да намеря време.
Навигация - системи,модули,карти,телефони,POI,SpeedCams...
Публикувано на: 03 Ное 2023 08:05
от teodorp
Здравейте,
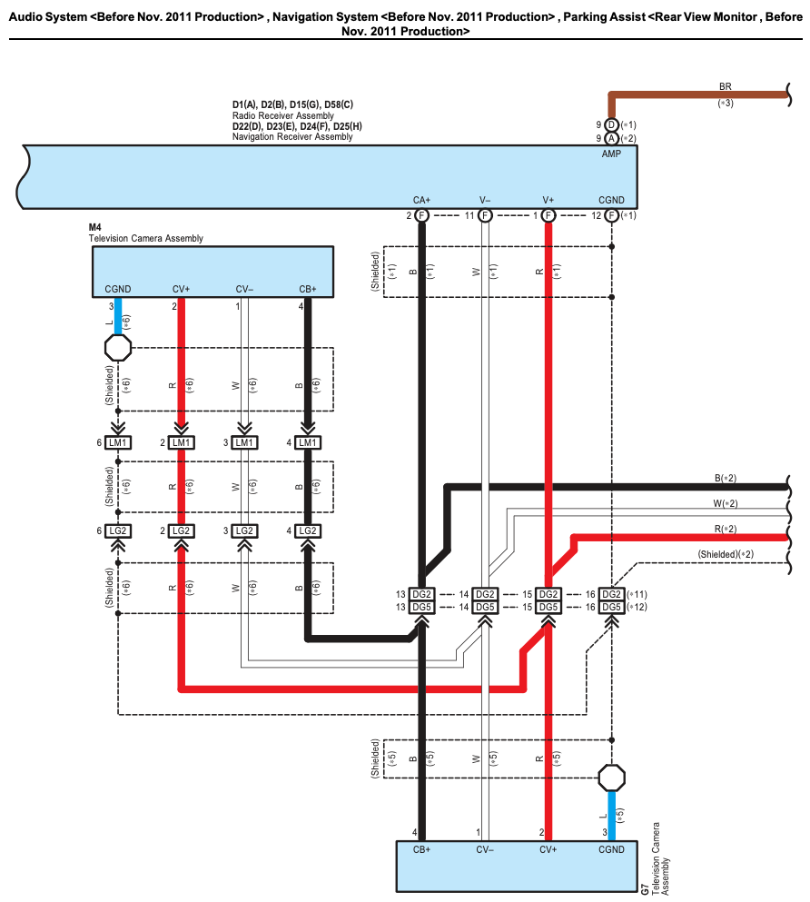
Ето как успях да свържа фабричната камера и микрофон към китайската медия (Junsun V1 Pro).
! Kолата е Avensis T27 2009. Според схемите моделите след Ноември 2011 са със същите букси, се използват други пинове.
Схемите по спомен намерих тук -
https://toyotabg.eu/viewtopic.php?t=2185

- microphone.png (111.3 KiB) Преглеждано 21632 пъти
Tрябва да се захрани с 6v. Сложих трансформатор от 12v на 6v.
Буксата е D24
3 - Захранване минус
4 - Сигнал минус
5 - Захранване +6
13 - Сигнал плюс (тук запоих резистор 10 Ohm. Видях из нета, че така намаляват шумовете)
14 - Зазимяване (не съм го връзвал)

- camera.png (132.27 KiB) Преглеждано 21632 пъти
Също се захранва с 6v. За да не слагам отделени трансформатори за микрофон и за камера реших да използвам реле.
Използвах сигнала (+12v) от задна предавка (REV) за да затвори веригата на 6те волта към камерата. (
Повече се чува щракването от скоростния лост (карам автоматик) отколкото релето.
)
Буксата е D24
1 - Сигнал плюс
2 - Захранване +6v
11 - Сигнал минус
12 - Захранване минус

- Assembly.jpg (50.63 KiB) Преглеждано 21632 пъти

- Schema.jpg (91.63 KiB) Преглеждано 21632 пъти
Монтаж на мултимедия
Публикувано на: 09 Ное 2023 10:44
от Emma19
Здраейте,
Закупих си Toyota Аuris 2007 и имам желание да и поставя мултимедия. Бихте ли ме ориентирали към сервиз, от който сте останали доволни и долу горе как вървят като пари?
Мултимедия Тойота Корола 2004г.Хетчбек
Публикувано на: 29 Ное 2023 22:47
от andrez007
Здравейте може ли да споделите мнение и препоръки,за мултимедия.Тойота корола 2004г.Мисля да слагам,ще се радвам да дадете мение

Навигация - системи,модули,карти,телефони,POI,SpeedCams...
Публикувано на: 02 Яну 2024 17:55
от Иван Атанасов Кр
Някой има ли представа оригиналната навигация на Корола версо 2008 дали може да се направи да говори на български език?
Навигация - системи,модули,карти,телефони,POI,SpeedCams...
Публикувано на: 14 Яну 2024 06:23
от Kraichev84
Здравей Teodor, изпълних всичко което си описал по темата. Фабричния микрофон на колата тръгна но като включа задна медията ни изписва че няма сигнал от камерата. В менюто има настройки за стандарта на видеото. Какви трябва да са те за сигнал от фабричната камера ?
Toyota Touch 2 with Go
Публикувано на: 03 Фев 2024 13:30
от MartinKotsev
Здравейте колеги.
От къде мога да изтегля нова карта за Toyota Touch 2 with Go?
Toyota Touch 2 with Go
Публикувано на: 03 Фев 2024 13:49
от ico1
Като си регистрираш колата и медията в Тойота ако е извън гаранция срещу 129 евро може да я изтеглиш и инсталираш.Медията трябва да има навигационен модул
Навигация - системи,модули,карти,телефони,POI,SpeedCams...
Публикувано на: 28 Юни 2024 20:19
от Iliev1980
teodorp написа: ↑03 Ное 2023 08:05
Здравейте,
Ето как успях да свържа фабричната камера и микрофон към китайската медия (Junsun V1 Pro).
! Kолата е Avensis T27 2009. Според схемите моделите след Ноември 2011 са със същите букси, се използват други пинове.
Схемите по спомен намерих тук -
https://toyotabg.eu/viewtopic.php?t=2185
microphone.png
Tрябва да се захрани с 6v. Сложих трансформатор от 12v на 6v.
Буксата е D24
3 - Захранване минус
4 - Сигнал минус
5 - Захранване +6
13 - Сигнал плюс (тук запоих резистор 10 Ohm. Видях из нета, че така намаляват шумовете)
14 - Зазимяване (не съм го връзвал)
camera.png
Също се захранва с 6v. За да не слагам отделени трансформатори за микрофон и за камера реших да използвам реле.
Използвах сигнала (+12v) от задна предавка (REV) за да затвори веригата на 6те волта към камерата. (
Повече се чува щракването от скоростния лост (карам автоматик) отколкото релето.
)
Буксата е D24
1 - Сигнал плюс
2 - Захранване +6v
11 - Сигнал минус
12 - Захранване минус
Assembly.jpg
Schema.jpg
Купих медия JUNSUN V1 свързах си я сам а камерата се опитаха в сервиз. Обаче не могат да я накарат като дам на задна да предава сигнал. Като я преместя на видео вход камерата работи.
Опитвах и с друга китайска камера резултата е същия. Гледам ти схемата, и гледам какво са правили те. Значи от букса D25 са изрязала червения кабел номер 5 и са го свързали към кафевия поне при мен на медията. Меря като включа на задна подава ток иначе няма. От другата букса са отрязала белия и червения кабел 1 и 11 и са ги свързали към чинч. Не видях как са променили напрежението но камерата работи на видео. Същото е и с китайската. Свързавам я по схемите от интернет и това което ми говори китаеца но и при нея я вижадам само на видео но не и назадна. Ти като по компетентен можеш ли да дадеш акъл, че вече с проби се изчерпах а китаеца твърди , че медията е наред щом виждам камерата на видеото. Благодаря
Навигация - системи,модули,карти,телефони,POI,SpeedCams...
Публикувано на: 28 Юни 2024 21:21
от slowtraveler
Струва ми се, че нещо обърквате подаването на захранване към камерата... Обаче не разбрах нищо от обяснението...
Навигация - системи,модули,карти,телефони,POI,SpeedCams...
Публикувано на: 28 Юни 2024 21:39
от Iliev1980
Аз така го разгадавам без да разбирам много. Захранване от червения кабел на сивата букса D25 , който го свързват директно към буксата на медията -16 пинова. От бялата пин 1 и 11 , които са бял и червен кабел ги свързат къв входа за задна камера на медията. Оф дано сега по ясно съм го обяснил

И ако там бъркаме, защо на афтермаркет камерата положението е същото ? :(
Навигация - системи,модули,карти,телефони,POI,SpeedCams...
Публикувано на: 29 Юни 2024 19:56
от Iliev1980
На голямата букса пин 2 и 3 никъде не са свързани на мултимедията , а отворих задния капак на багажника и виждам , че те влизат в камерата. Явно нещо липсва в инсталацията. Но това пък трябва ли да окаже влияние при свързване на китайска камера? Питам тук , че почти съм бос.